|   | SEL-387E电流差动和电压保护装置 |   | 首页 > 产品中心 | 

SEL-387E 电流差动和电压保护装置为两绕组和绕组电力变压器提供保护。电能计量的电压输入、过励磁保护和过/低频甩负荷为电力设备的保护提供了多功能解决方案。通过消除传统的外部控制开关,仪表,显示灯,自动化功能降低了项目的总建设和运营成本。
产品功能
应用领域
标准参数

产品特点
							
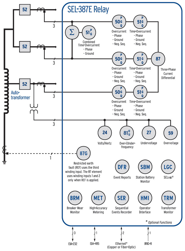
								■  两绕组和绕组电流差动保护
							
							   灵敏的电流差动保护具可编程的单折线或双折线百分比率制动特性,由可的二次和四次谐波闭锁或制动元件、加上五次谐波和直流分量闭锁元件一起,保护多达个绕组线圈。相电流谐波闭锁可以在公共或独立线圈基础上设置。Unrestrained high-set差动元件,用于高幅内部故障快速切除。“全天候”相角补偿设置和自动挖掘计算简化了设置。
							
								■ 独立的绕组线圈过流保护
							
							   转矩可控的过流元件,包括一个瞬时、一个定时限和一个反时限元件对应的每个相、负序和零序接地电流元件,为每个线圈输入提供全面的过流保护。环型母线和一个半断路器应用中联合过流保护功能将两个输入的电流总加。
							
								■ 穿越性故障记录与监视
							
							   记录并累积穿越性故障,以便SELogic®控制方程或手工监视所用。
							
								■ 过励磁保护
							
							   伏特每赫兹元素检测保护装置的过励磁条件。选择多条曲线(包括用户自定义)或报警和跳闸应用的定时限元件。
							
								■ 过/低频保护
							
							   六个可用的频率元件供用户根据需要设置。
							
								■ 限制式接地故障 
							
							   限制式接地故障逻辑为接地的Y型接线提供灵敏的保护。
							
								■ 内置Web服务器
							
							   通过标准以太网从内置Web服务器的可以访问基本继电器信息。查看继电器状态,顺序事件记录器(SER),计量信息,以及方便本地访问的设置。 Web服务器的访问需要继电器密码,并仅限于只读浏览信息。
							
								■ 控制逻辑
							
							   带SELogic变量的SELogic控制方程、定时器、锁存位,以及遥控元件都可用于自定义高级的保护和控制方案。本地可编程控制元件和可编程文本显示点可用于定制高级的本地操作界面。
							
								■ 计量与报告
							
							   多至7个60周期的波形事件报告,顺序事件记录SER的报告,和精确的三相电能计量,消除或减少了外部记录和计量的需要。站电池监控和断路器接触磨损监控为以可靠性为中心的维修(RCM)程序提供重要数据。
							
								■ 通信
							
							   EIA-232和EIA-485串口用于本地/远程访问和系统集成。
							   使用可选的以太网口下载事件报告。使用IEC 61850快速交互信息,包括SBO选择操作功能。使用双容错以太网增加通信的可靠性。
							
								■ acSELerator QuickSet® SEL-5030 软件
							
							 
   离线的开发继电器设置,SELogic控制逻辑编程,以及分析故障后事件报告。
						
							■ SEL-387E 电流差动和电压保护产品介绍 387E_Flyer.pdf
							■ SEL-387E 电流差动和电压保护产品技术说明 387E_DS_20110825.pdf
							■ SEL-387E 电流差动和电压保护产品指南 387E_GS_20100226.pdf
						
 
	 
		 
						 
						 
							                		  	 
				 
				 
				 
				 
				